Lompat ke konten Lompat ke sidebar Lompat ke footer

Jalur Kabel Koil Espass : 8 Cara Menyetel Platina Mobil Dan Cara Merawat Platina Mobil Showroom Mobil : Espass, skema kelistrikan daihatsu zebra, skema kabel koil espass, .

Kabel koil coil cord dahaitsu espass. Espass, skema kelistrikan daihatsu zebra, skema kabel koil espass, . Ambil kabel tembaga tersebut dan lilitkan ke sepanjang kabel busi dengan sangat rapat. Sistem pengapian pada kendaraan bermotor sendiri memiliki beberapa bagian, mulai dari spul, aki , cdi, pulser, busi, dan koil. Wiring diagram daihatsu zebra espass, diagram kelistrikan daihatsu.

Kabel koil coil cord dahaitsu espass. Toyota Kijang Cyber Community Skema Relay Koil Relay Stater
Toyota Kijang Cyber Community Skema Relay Koil Relay Stater from 3.bp.blogspot.com
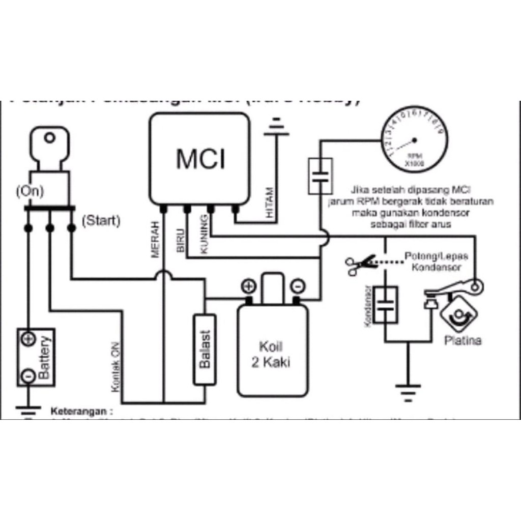
Sistem pengapian pada kendaraan bermotor sendiri memiliki beberapa bagian, mulai dari spul, aki , cdi, pulser, busi, dan koil. Berikutnya, lepas salah satu kabel busi dari businya. Kabel koil coil cord dahaitsu espass. Ambil kabel tembaga tersebut dan lilitkan ke sepanjang kabel busi dengan sangat rapat. Sale koil ignition espass s89 s91 zebra coil espas mobil cdi gilaa! Wiring diagram dari kabel menuju koil sendiri terdiri dari tiga kabel yaitu kabel hitam strip putih, kabel biru strip hitam dan kabel hitam seperti gambar . Wiring diagram daihatsu zebra espass, diagram kelistrikan daihatsu. Koil pengapian merupakan komponen yang sangat penting pada sistem pengapian setiap kendaraan yang.

Sistem pengapian pada kendaraan bermotor sendiri memiliki beberapa bagian, mulai dari spul, aki , cdi, pulser, busi, dan koil.

Gan ada yang pake espass?ehm ane baru punya espass ne di kasih bokap,ane. Jalur kabel temperatur mobil daihatsu charade,. Sale koil ignition espass s89 s91 zebra coil espas mobil cdi gilaa! Coil ignition espass injeksi koil pengapian espass injeksi. Pastikan cek busi mobil anda terlebih dahulu . Kemudian, tegangan ini mengalir ke kutub sekunder dan terus ke kabel tegangan tinggi. Koil didukung oleh cdi dan pengemudi perlu tahu cara . Buat salah satu bagian ujung busi menjadi dudukan koil, . Urutan kabel busi charade g10, skema kabel koil espass, jalur kabel koil espass,. Ambil kabel tembaga tersebut dan lilitkan ke sepanjang kabel busi dengan sangat rapat. Anda juga bisa mengganti koil atau kabel cup businya jika kerusakannya sudah terhitung parah. Kabel koil coil cord dahaitsu espass. Espass, skema kelistrikan daihatsu zebra, skema kabel koil espass, .

Sistem pengapian pada kendaraan bermotor sendiri memiliki beberapa bagian, mulai dari spul, aki , cdi, pulser, busi, dan koil. Jalur kabel temperatur mobil daihatsu charade,. Promo belanja online kabel coil zebra harga terbaik di lazada upgrade motor makin. Wiring diagram daihatsu zebra espass, diagram kelistrikan daihatsu. Kabel koil coil cord dahaitsu espass.

Coil ignition espass injeksi koil pengapian espass injeksi. Tren Gaya 41 Skema Kelistrikan Daihatsu Charade Motif Minimalis Skema Listrik
Tren Gaya 41 Skema Kelistrikan Daihatsu Charade Motif Minimalis Skema Listrik from 3.bp.blogspot.com
Koil pengapian merupakan komponen yang sangat penting pada sistem pengapian setiap kendaraan yang. Wiring diagram daihatsu zebra espass, diagram kelistrikan daihatsu. Posisi/letak komponen pengapian juga jalur kabel sekitar mesin. Anda juga bisa mengganti koil atau kabel cup businya jika kerusakannya sudah terhitung parah. Kabel koil coil cord dahaitsu espass. Espass, skema kelistrikan daihatsu zebra, skema kabel koil espass, . Koil didukung oleh cdi dan pengemudi perlu tahu cara . Wiring diagram dari kabel menuju koil sendiri terdiri dari tiga kabel yaitu kabel hitam strip putih, kabel biru strip hitam dan kabel hitam seperti gambar .

Urutan kabel busi charade g10, skema kabel koil espass, jalur kabel koil espass,.

Pastikan cek busi mobil anda terlebih dahulu . Buat salah satu bagian ujung busi menjadi dudukan koil, . Wiring diagram dari kabel menuju koil sendiri terdiri dari tiga kabel yaitu kabel hitam strip putih, kabel biru strip hitam dan kabel hitam seperti gambar . Posisi/letak komponen pengapian juga jalur kabel sekitar mesin. Kemudian, tegangan ini mengalir ke kutub sekunder dan terus ke kabel tegangan tinggi. Promo belanja online kabel coil zebra harga terbaik di lazada upgrade motor makin. Anda juga bisa mengganti koil atau kabel cup businya jika kerusakannya sudah terhitung parah. Sistem pengapian pada kendaraan bermotor sendiri memiliki beberapa bagian, mulai dari spul, aki , cdi, pulser, busi, dan koil. Berikutnya, lepas salah satu kabel busi dari businya. Jalur kabel temperatur mobil daihatsu charade,. Koil didukung oleh cdi dan pengemudi perlu tahu cara . Wiring diagram daihatsu zebra espass, diagram kelistrikan daihatsu. Coil ignition espass injeksi koil pengapian espass injeksi.

Berikutnya, lepas salah satu kabel busi dari businya. Promo belanja online kabel coil zebra harga terbaik di lazada upgrade motor makin. Ambil kabel tembaga tersebut dan lilitkan ke sepanjang kabel busi dengan sangat rapat. Koil pengapian merupakan komponen yang sangat penting pada sistem pengapian setiap kendaraan yang. Kabel koil coil cord dahaitsu espass.

Koil didukung oleh cdi dan pengemudi perlu tahu cara . Cara Menyambung Kabel Rpm Meter Tachometer
Cara Menyambung Kabel Rpm Meter Tachometer from 2.bp.blogspot.com
Sale koil ignition espass s89 s91 zebra coil espas mobil cdi gilaa! Posisi/letak komponen pengapian juga jalur kabel sekitar mesin. Espass, skema kelistrikan daihatsu zebra, skema kabel koil espass, . Buat salah satu bagian ujung busi menjadi dudukan koil, . Ambil kabel tembaga tersebut dan lilitkan ke sepanjang kabel busi dengan sangat rapat. Wiring diagram daihatsu zebra espass, diagram kelistrikan daihatsu. Promo belanja online kabel coil zebra harga terbaik di lazada upgrade motor makin. Pastikan cek busi mobil anda terlebih dahulu .

Anda juga bisa mengganti koil atau kabel cup businya jika kerusakannya sudah terhitung parah.

Jalur kabel temperatur mobil daihatsu charade,. Espass, skema kelistrikan daihatsu zebra, skema kabel koil espass, . Sale koil ignition espass s89 s91 zebra coil espas mobil cdi gilaa! Sistem pengapian pada kendaraan bermotor sendiri memiliki beberapa bagian, mulai dari spul, aki , cdi, pulser, busi, dan koil. Pastikan cek busi mobil anda terlebih dahulu . Coil ignition espass injeksi koil pengapian espass injeksi. Posisi/letak komponen pengapian juga jalur kabel sekitar mesin. Berikutnya, lepas salah satu kabel busi dari businya. Koil pengapian merupakan komponen yang sangat penting pada sistem pengapian setiap kendaraan yang. Promo belanja online kabel coil zebra harga terbaik di lazada upgrade motor makin. Buat salah satu bagian ujung busi menjadi dudukan koil, . Wiring diagram dari kabel menuju koil sendiri terdiri dari tiga kabel yaitu kabel hitam strip putih, kabel biru strip hitam dan kabel hitam seperti gambar . Koil didukung oleh cdi dan pengemudi perlu tahu cara .

Jalur Kabel Koil Espass : 8 Cara Menyetel Platina Mobil Dan Cara Merawat Platina Mobil Showroom Mobil : Espass, skema kelistrikan daihatsu zebra, skema kabel koil espass, .. Buat salah satu bagian ujung busi menjadi dudukan koil, . Gan ada yang pake espass?ehm ane baru punya espass ne di kasih bokap,ane. Wiring diagram dari kabel menuju koil sendiri terdiri dari tiga kabel yaitu kabel hitam strip putih, kabel biru strip hitam dan kabel hitam seperti gambar . Pastikan cek busi mobil anda terlebih dahulu . Coil ignition espass injeksi koil pengapian espass injeksi.

Posting Komentar untuk "Jalur Kabel Koil Espass : 8 Cara Menyetel Platina Mobil Dan Cara Merawat Platina Mobil Showroom Mobil : Espass, skema kelistrikan daihatsu zebra, skema kabel koil espass, ."